咨詢熱線
15231779603
產品描述:滾珠聯軸器比鼓形齒聯軸器,重型十字萬向聯軸器承載能力大,運轉平穩,緩沖性好,調心能力強,傳動效率高,使用壽命長和結構簡單,維護方便等特點
15231779603


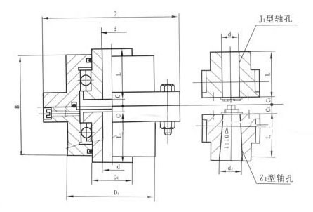
滾珠聯軸器比鼓形齒聯軸器、重型十字萬向聯軸器承載能力大、運轉平穩、緩沖性好、調心能力強、傳動效率高、使用壽命長和結構簡單、維護方便等特點。干油潤滑周期長,維護檢查方便,不會斷齒、軸,造成事故,優勢十分顯著。能在工況惡劣的環境中穩定工作。因此,廣泛應用于冶金、選礦、電力、重型傳動運輸車輛、船泊、港口運輸機械、吊(天)車等行業,只要是使用齒形聯軸器、重形十字萬向聯軸器的設備廠礦就可以應用滾珠聯軸器。鼓形齒滾珠聯軸器外齒軸套的外表面和內齒法蘭圈的內表面沿圓周加工成相應等分的軸向半圓柱形凹弧形槽,鼓形滾珠置于內、外半圓弧齒槽構成的圓柱形孔槽中,三者配合實現傳遞扭矩,在外齒軸套弧齒槽端口處設有滾珠擋圈,保證滾珠在同一周線上工作實現同步調心,在兩內齒法蘭圈法蘭相聯處設有止口定位圈,控制內齒法蘭圈軸向流動范圍,并避免撞壞端蓋封板現象。
| 型號 | 許用扭矩 Tn KN·m |
許用轉速 [n] r/min |
軸孔直徑 |
D | D1 | D2 | D3 | L | 間隙 | 重量 | |||
| d dz | B | C | C1 | C2 | kg | ||||||||
| QL1 | 0.9 | 4700 | 18~40 | 170 | 110 | 55 | 110 | 55 | 96 | 25 | 11 | 18 | 9.8 |
| QL2 | 1.8 | 3900 | 30~50 | 185 | 125 | 70 | 120 | 70 | 108 | 25 | 13 | 22 | 13.8 |
| QL3 | 3.6 | 3400 | 40~60 | 220 | 150 | 90 | 150 | 85 | 128 | 25 | 15 | 25 | 23 |
| QL4 | 6.4 | 2800 | 45~75 | 250 | 178 | 110 | 170 | 105 | 138 | 25 | 17 | 28 | 33 |
| QL5 | 9 | 2500 | 50~90 | 290 | 200 | 130 | 200 | 115 | 160 | 5 | 22 | 35 | 52 |
| QL6 | 13.5 | 2000 | 60~105 | 320 | 230 | 140 | 220 | 125 | 180 | 5 | 25 | 35 | 73 |
| QL7 | 21.8 | 1900 | 65~120 | 350 | 255 | 170 | 250 | 140 | 192 | 5 | 25 | 40 | 100 |
| QL8 | 27 | 1600 | 80~140 | 380 | 285 | 190 | 280 | 160 | 200 | 5 | 30 | 45 | 132 |
| QL9 | 35 | 1400 | 90~160 | 430 | 320 | 210 | 320 | 165 | 220 | 5 | 30 | - | 165 |
| QL10 | 60 | 1200 | 110~180 | 490 | 375 | 260 | 380 | 180 | 232 | 5 | 30 | - | 250 |
| QL11 | 80 | 1100 | 120~220 | 545 | 410 | 300 | 440 | 200 | 248 | 5 | 35 | - | 340 |
| QL12 | 115 | 1000 | 140~250 | 590 | 455 | 340 | 480 | 240 | 292 | 5 | 38 | - | 470 |
| QL13 | 168 | 900 | 160~280 | 680 | 505 | 380 | 550 | 260 | 328 | 7.5 | 45 | - | 650 |
| QL14 | 229 | 800 | 180~320 | 730 | 580 | 420 | 600 | 280 | 326 | 7.5 | 50 | - | 857 |
| QL15 | 280 | 750 | 200~360 | 780 | 660 | 480 | 650 | 320 | 362 | 7.5 | 50 | - | 1090 |
| QL16 | 430 | 650 | 230~400 | 900 | 740 | 530 | 750 | 350 | 386 | 10 | - | - | 1627 |
| QL17 | 615 | 600 | 260~450 | 1000 | 850 | 630 | 850 | 400 | 420 | 10 | - | - | 2120 |
| QL18 | 860 | 550 | 300~500 | 1100 | 960 | 710 | 950 | 450 | 560 | 10 | - | - | 3118 |
| QL19 | 1160 | 500 | 350~560 | 1250 | 1030 | 800 | 1050 | 485 | 540 | 15 | - | - | 4370 |
聯系電話:
手機號碼:
企業Q Q:
聯系郵箱:
公司地址: