咨詢熱線
15231779603
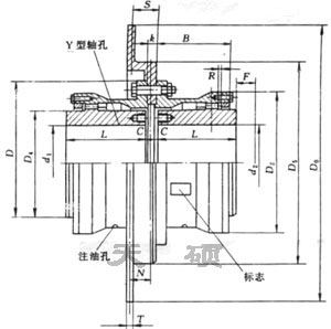
產品描述:WGP帶制動盤鼓形齒聯軸器,該聯軸器包括有分別用來連接動力輸入軸和動力輸出軸的一個左軸套和一個右軸套,在左軸套的端部設置有鼓形齒
15231779603

WGP帶制動盤鼓形齒聯軸器,該聯軸器包括有分別用來連接動力輸入軸和動力輸出軸的一個左軸套和一個右軸套,在左軸套的端部設置有鼓形齒,套在左軸套外圍的聯接套通過其內齒與左軸套上的鼓形齒相嚙合,右軸套的端部設置有連接法蘭,連接法蘭與聯接套通過穿接螺栓連接固定,一個制動盤被夾持固定在連接法蘭和聯接套之間。帶制動盤鼓形齒聯軸器結構簡單、安裝方便,制動盤與右軸套剛性連接,制動過程中的制動負荷和振動由右軸套承擔,因而不會對鼓形齒的嚙合性能造成損害,同時制動盤自身的穩定性也大大提高,保證了運行的可靠性。齒式聯軸器是由齒數相同的內齒圈和帶外齒的凸緣半聯軸器等零件組成。外齒分為直齒和鼓形齒兩種齒形,所謂鼓形齒即為將外齒制成球面,球面中心在齒輪軸線上,齒側間隙較一般齒輪大,鼓形齒聯軸器可允許較大的角位移(相對于直齒聯軸器),可改善齒的接觸條件,提高傳遞轉矩的能力,延長使用壽命。有角位移時沿齒寬的接觸狀態。
| 型號 | 公稱轉矩 Tn KN·m |
許用轉速 [n] r/min |
軸孔直徑 d d2 mm |
軸孔長度 | D0 | D | D1 | D2 | B | N | C | C1 | C2 | 轉動慣量 kg·m2 |
重量 kg |
|
|
L |
||||||||||||||||
| WGP1 | 0.71 | 4000 | 30~38 | 82 | 60 | 315 | 122 | 98 | 60 | 58 | 38 | 3 | 23 | 12 | 0.008 | 5.7 |
| 40~42 | 112 | 84 | 29 | |||||||||||||
| WGP2 | 1.25 | 4000 | 30~38 | 82 | 60 | 315 | 150 | 118 | 77 | 68 | 38 | 3 | 23 | 16 | 0.02 | 10 |
| 40~56 | 112 | 84 | 29 | |||||||||||||
| WGP3 | 2.5 | 3550 | 40~56 | 112 | 84 | 355 | 170 | 140 | 90 | 80 | 49 | 3 | 29 | 16 | 0.05 | 17 |
| 60~65 | 142 | 107 | 36 | |||||||||||||
| WGP4 | 4.5 | 2500 | 40~56 | 112 | 84 | 400 450 500 |
200 | 160 | 112 | 90 | 45 | 3 | 29 | 17 | 0.1 | 26 |
| 60~75 | 142 | 107 | 36 | |||||||||||||
| WGP5 | 7.1 | 2500 | 40~56 | 112 | 84 | 225 | 180 | 128 | 100 | 45 | 3 | 29 | 19 | 0.17 | 35 | |
| 60~75 | 142 | 107 | 36 | |||||||||||||
| WGP6 | 10 | 2000 | 60~75 | 142 | 107 | 500 560 630 |
245 | 200 | 145 | 112 | 44 | 5 | 38 | 20 | 0.3 | 52 |
| 80~95 | 172 | 132 | 43 | |||||||||||||
| WGP7 | 14 | 1700 | 60~75 | 142 | 107 | 560 630 710 |
272 | 230 | 160 | 122 | 44 | 5 | 38 | 20 | 0.5 | 68 |
| 80~95 | 172 | 132 | 43 | |||||||||||||
| WGP8 | 20 | 1700 | 60~75 | 142 | 107 | 560 630 710 |
290 | 245 | 176 | 136 | 44 | 5 | 38 | 34 20 |
0.7 | 80 |
| 80~95 | 172 | 132 | 43 | |||||||||||||
| 100~125 | 212 | 167 | 48 | |||||||||||||
| WGP9 | 25 | 1600 | 80~95 | 172 | 132 | 630 710 800 |
315 | 265 | 190 | 140 | 58 | 5 | 43 | 28 | 1 | 107 |
| 100~125 | 212 | 167 | 48 | |||||||||||||
| 130~140 | 252 | 202 | 53 | |||||||||||||
| WGP10 | 40 | 1600 | 85~95 | 172 | 132 | 630 710 800 |
355 | 300 | 225 | 165 | 58 | 5 | 43 | 38 20 |
1.8 | 160 |
| 100~125 | 212 | 167 | 48 | |||||||||||||
| 130~150 | 252 | 202 | 53 | |||||||||||||
| WGP11 | 56 | 1400 | 100~125 | 212 | 167 | 710 800 900 |
412 | 345 | 256 | 180 | 58 | 8 | 51 | 32 | 3.7 | 215 |
| 130~150 | 252 | 202 | 56 | |||||||||||||
| 160~180 | 302 | 242 | 66 | |||||||||||||
| WGP12 | 80 | 1400 | 120~125 | 212 | 167 | 710 800 900 |
440 | 375 | 288 | 207 | 58 | 8 | 51 | 32 | 6.4 | 305 |
| 130~150 | 252 | 202 | 56 | |||||||||||||
| 160~180 | 302 | 242 | 66 | |||||||||||||
| WGP13 | 112 | 1400 | 140~150 | 252 | 202 | 800 900 |
490 | 425 | 320 | 235 | 58 | 8 | 56 | 38 32 |
11 | 395 |
| 160~180 | 302 | 242 | 66 | |||||||||||||
| 190~220 | 352 | 282 | 76 | |||||||||||||
| WGP14 | 160 | 1200 | 160~180 | 302 | 242 | 900 1000 |
545 | 462 | 362 | 265 | 65 | 10 | 68 | 32 10 |
18 | 530 |
| 190~220 | 352 | 282 | 78 | |||||||||||||
| 240~260 | 410 | 330 | - | |||||||||||||
注:1、表中的重量、轉動慣量未計算制動盤,其數值見表2,
2、表中C、C1、C2數值,按不同制動盤再加上K/2,
3、N=S-K/2,表中數值是D0為*大時的計算值,S與K值見表2。
| 制動盤 直徑 D0 |
T | K | S | D3 max |
轉動慣量 kg·m2 |
重量 kg |
|||
| Ⅰ | Ⅱ | Ⅰ | Ⅱ | Ⅰ | Ⅱ | ||||
| 315 | 15 | 10 | 42 | 180 | 155 | 0.116 | 0.11 | 8.5 | 6.7 |
| 355 | 15 | 10 | 54 | 200 | 175 | 0.192 | 0.178 | 11.4 | 9.9 |
| 400 | 15 | 14 | 54 | 255 | 230 | 0.32 | 0.29 | 15.2 | 12.4 |
| 450 | 15 | 16 | 54 | 305 | 280 | 0.55 | 0.46 | 19.7 | 15.6 |
| 500 | 15 | 18 | 54 | 325 | 295 | 0.83 | 0.71 | 25 | 20 |
| 560 | 15 | 18 | 54 | 350 | 320 | 1.28 | 1.13 | 30.7 | 25.6 |
| 630 | 15 | 20 | 54 | 400 | 360 | 2.06 | 1.83 | 38.8 | 33 |
| 710 | 15 | 20 | 54 | 480 | 450 | 3.32 | 2.9 | 46.5 | 39.4 |
| 800 | 15 | 24 | 70 | 540 | 500 | 5.87 | 4.8 | 67.8 | 52.7 |
| 900 | 15 | 24 | 70 | 600 | 560 | 9.3 | 7.9 | 86.6 | 70.3 |
| 1000 | 20 | 30 | 80 | 620 | 560 | 17.4 | 15.7 | 128.8 | 115.1 |
聯系電話:
手機號碼:
企業Q Q:
聯系郵箱:
公司地址: