咨詢熱線
15231779603
產品描述:SWP-C型無伸縮短型萬向聯軸器是一種*常用的聯軸器.利用其結構的特點能使不在同一軸線或軸線折角較大或軸向移動較大的兩軸等角速連續回轉.
15231779603
SWC-WD型無伸縮短式萬向聯軸器能廣泛應用于冶金、起重、工程運輸、礦山、石油、船舶、煤炭、橡膠、造紙機械及其它重機行業的機械軸系中傳 遞轉矩。
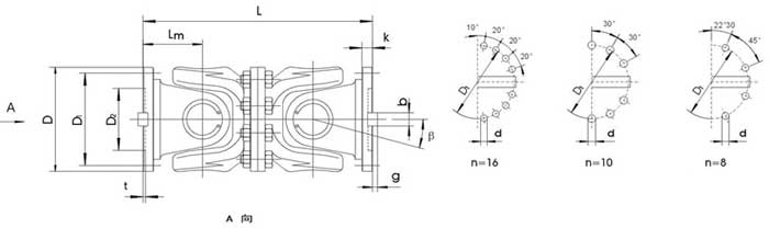
1.具有較大的角度補償能力。軸線折角,SWC型軸線折角可達15度~25度,SWP型可達10度左右。
2.結構緊湊合理。SWC型采用整體式叉頭,使運載更具可靠性。
3.承載能力大。與回轉直徑相同的其它型式的聯軸相比較,其所傳遞的扭矩更大,此對回轉直徑受限制的機械設備,其配套范圍更具優越性。
4.傳動效率高。其傳動效率達98-99.8%,用于大功率傳動,節能效果明顯。
5.運載平穩,噪聲低,裝拆維護方便。

SWC-WD型無伸縮短式萬向聯軸器基本參數和主要尺寸
| 型號 | 回轉直徑 D mm |
公稱轉矩 Tn kN·m |
疲勞轉矩 Tf kN·m |
軸線折角 β (°) |
尺寸mm | ||||||||
| Lmin | D1 (js11) |
D2 (H7) |
Lm | n-d | k | t | b (h9) |
g | |||||
| SWC180WD | 180 | 12.5 | 6.3 | ≤25 | 440 | 155 | 105 | 110 | 8-17 | 17 | 5 | - | - |
| SWC200WD | 200 | 30 | 15 | ≤15 | 480 | 175 | 125 | 110 | 8-17 | 17 | 5 | 28 | 8.0 |
| SWC225WD | 225 | 40 | 20 | ≤15 | 480 | 196 | 135 | 120 | 8-17 | 20 | 5 | 32 | 9.0 |
| SWC250WD | 250 | 63 | 31.5 | ≤15 | 560 | 218 | 150 | 140 | 8-19 | 25 | 6 | 40 | 12.5 |
| SWC285WD | 285 | 90 | 45 | ≤15 | 640 | 245 | 170 | 160 | 8-21 | 27 | 7 | 40 | 15.0 |
| SWC315WD | 315 | 125 | 63 | ≤15 | 720 | 280 | 185 | 180 | 10-23 | 32 | 8 | 40 | 15.0 |
| SWC350WD | 350 | 180 | 90 | ≤15 | 776 | 310 | 210 | 194 | 10-23 | 35 | 8 | 50 | 16.0 |
| SWC390WD | 390 | 250 | 125 | ≤15 | 860 | 345 | 235 | 215 | 10-25 | 40 | 8 | 70 | 18.0 |
| SWC440WD | 440 | 355 | 180 | ≤15 | 1040 | 390 | 255 | 260 | 16-28 | 42 | 10 | 80 | 20.0 |
| SWC490WD | 490 | 500 | 250 | ≤15 | 1080 | 435 | 275 | 270 | 16-31 | 47 | 12 | 90 | 22.5 |
| SWC550WD | 550 | 710 | 355 | ≤15 | 1220 | 492 | 320 | 305 | 16-31 | 50 | 12 | 100 | 22.5 |
| SWC620WD | 620 | 1000 | 500 | ≤15 | 1360 | 555 | 380 | 340 | 10-38 | 55 | 12 | 100 | 25.0 |
聯系電話:
手機號碼:
企業Q Q:
聯系郵箱:
公司地址: